Разрезы на чертежах
Деталь, или сборку, состоящую из числа конструктивных элементов, иногда нужно показать мысленно разрезанной, для лучшего понимая, что находится за пределами внешней оболочки полого графического объекта. Полученные срезы заполняются штриховыми линиями в соответствии с материалом, из которого они состоят.
Разрезы формируют детальную картину с чётко обозначенными границами геометрических форм сложного изделия. Разрезы, исходя из расположения секущей плоскости, подразделяются на: горизонтальные, вертикальные и наклонные.
От расположения секущих плоскостей зависит условные названия плоскостей. Так, если секущая плоскость направлена вдоль длины или высоты предмета, их называют продольными, а если эти плоскости перпендикулярны длине или высоте предмета, поперечными.
Сложные и простые разрезы, именуются таковыми в зависимости от числа секущих плоскостей.
Горизонтальный разрез
В чертежах строительного назначения, разрезам данного типа могут присваиваться другие названия, например: «план».
Вертикальный разрез – это разрез, при котором рассекающая плоскость перпендикулярна горизонтальной плоскости проекции.
Наклонный разрез – здесь плоскость среза, располагается под углом к горизонтальной плоскостью проекции.
Простой разрез – разрез, который образован одной секущей плоскостью.
Сложный разрез – данный тип разреза формируется секущими плоскостями количеством от двух единиц.
На картинке расположенной справа представлен пример выполнения двух вертикальных разрезов:
А – А фронтальный разрез
Б – Б профильный разрез
Так как секущие плоскости не совпадают с плоскостями симметрии детали, на чертеже нанесены буквенные обозначения.
;
Изображение слева, приведено в качестве примера, которое показывает образование горизонтального разреза. Деталь рассечена плоскостью, параллельной горизонтальной плоскости проекций, а полученный горизонтальный разрез расположен на месте вида сверху.
Если вид и располагаемый на его месте разрез представляют собой симметричные фигуры , то можно соединить половину вида и половину разреза, разделяя их штрихпунктирной тонкой линией, являющейся осью симметрии.
В тех случаях, когда соединяются симметричные части вида и разреза, если с осью симметрии совпадает проекция какой-либо линии, то вид от разреза отделяется сплошной волнистой линией, проводимой левее или правее оси симметрии.
При необходимости выявить конфигурацию внутренней структуры предмета, в отдельной её части делается разрез, который именуется местным. На виде местный разрез выделяется стандартными линиями.
Это может быть сплошная тонкая линия с изломом или волнистая. Линии подобного назначения не должны совпадать с другими элементами чертежа.
Если местный разрез выполняется на части предмета, представляющей собой тело вращения и, следовательно, изображенной с осевой линией, то местный разрез с видом могут разделяться этой осевой линией.
Наклонные разрезы должны строиться и располагаться в соответствии с направлением взгляда, указанным стрелками на линии сечения. Положение секущей плоскости отмечается линией сечения, со стрелками, указывающими направление взгляда. Над разрезом выполняется надпись, соответствующая секущей плоскости.
При необходимости допускается располагать наклонные разрезы на любом месте поля чертежа вне проекционной связи с видом, но с учетом направления взгляда, указанного стрелками на линии сечения. Следует отдавать предпочтение разрезам, выполненным по типу А – А.
Кроме простых разрезов с одной секущей плоскостью, используются сложные разрезы с двумя и более секущими плоскостями.
Сложный разрез, образованный несколькими параллельными секущими плоскостями, называется ступенчатым. Ступенчатые разрезы могут быть горизонтальными, фронтальными, профильными и наклонными.
У ломаных разрезов секущие плоскости условно повертываются около линии их пересечения до совмещения в одну плоскость. Если совмещенные плоскости окажутся параллельными какой-либо из основных плоскостей проекций, то ломаный разрез может размещаться на месте соответствующего вида.
При выполнении ломаного разреза, когда одна секущая плоскость поворачивается до совмещения с другой, элементы предмета, расположенные за ней, не поворачиваются: они изображаются так, как они проецируются на соответствующую плоскость проекций при условии, что разрез не выполняется. Выступ, находящийся за поворачиваемой секущей плоскостью, в повороте не участвует: его изображения выполняются на чертеже в проекционной связи.
Разрезы — Всё для чайников
- Подробности
- Категория: Инженерная графика
Автор видеоурока: к.пед.н., доцент кафедры ИГиСАПР Кайгородцева Н.В.
РАЗРЕЗЫ
Если деталь полая или имеет внутреннее устройство в виде отверстий, углублений и т. п., на видах невидимые контуры изображают штриховыми линиями. При сложной внутренней конструкции детали большое количество штриховых линий затрудняет чтение чертежа и нередко ведет к неточному представлению о форме детали. Этого можно избежать, применяя условные изображения — разрезы.
Разрезом называется изображение предмета, полученное при мысленном рассечении его одной или несколькими секущими плоскостями.
При этом часть предмета, расположенная между наблюдателем и секущей плоскостью, мысленно удаляется, а на плоскости проекций изображается то, что получается в секущей плоскости (фигура сечения предмета секущей плоскостью) и что расположено за ней.
При разрезе внутренние линии контура, изображавшиеся на чертеже штриховыми линиями, становятся видимыми и изображаются сплошными основными линиями.
В зависимости от числа секущих плоскостей разрезы разделяются на простые (при одной секущей плоскости) и сложные (при нескольких секущих плоскостях).
В зависимости от положения секущей плоскости относительно горизонтальной плоскости проекций разрезы разделяются на горизонтальные, вертикальные и наклонные.
Разрезы называются продольными, если секущие плоскости направлены вдоль длины или высоты предмета, и поперечными, если секущие плоскости перпендикулярны длине или высоте предмета.
На всех примерах, приведенных ниже, условно принято, что предметы — металлические, и для графического обозначения материала в сечениях детали делается штриховка тонкими линиями с наклоном под углом 45° к линиям рамки чертежа.
Штриховка на всех изображениях одной детали выполняется в одном направлении (с правым или левым наклоном).
ПРОСТЫЕ РАЗРЕЗЫ — ВЕРТИКАЛЬНЫЕ И ГОРИЗОНТАЛЬНЫЕ
Вертикальным разрезом называется разрез, образованный секущей плоскостью, перпендикулярной горизонтальной плоскости проекций.
Вертикальный разрез называется фронтальным, если секущая плоскость параллельна фронтальной плоскости проекций (рис. 258), и профильным, если секущая плоскость параллельна профильной плоскости проекций (рис. 259).
Пример образования фронтального разреза детали дан на рис. 258. Деталь рассечена плоскостью А, параллельной фронтальной плоскости проекций. Часть детали, расположенная перед секущей плоскостью, мысленно удалена, а оставшаяся часть, полностью изображенная на месте главного вида, представляет собой фронтальный разрез детали. Все контурные линии, расположенные в секущей плоскости и за ней, Показаны на разрезе как видимые.
Горизонтальными разрезами называются разрезы, образованные секущими плоскостями, параллельными горизонтальной проекции.
На рис. 260 деталь рассечена горизонтальной плоскостью Р, параллельной горизонтальной плоскости проекции. Верхняя часть детали мысленно удалена, а оставшаяся нижняя часть спроецирована на горизонтальную плоскость проекции. Горизонтальные, фронтальные и профильные разрезы могут размещаться на месте соответствующих основных видов.
ОБОЗНАЧЕНИЕ РАЗРЕЗОВ
Если секущая плоскость совпадает с плоскостью симметрии предмета в целом и разрез расположен в проекционной связи с видом и не разделен какими-либо другими изображениями, то при выполнении горизонтальных, фронтальных и профильных разрезов положение секущей плоскости на чертеже не отмечается и разрез надписью не сопровождается (см.
рис. 258, 259 и 260).
В остальных случаях положение секущей плоскости указывают на чертеже разомкнутой линией и стрелками, указывающими направление взгляда, а над разрезом выполняется соответствующая надпись, указывающая секущую плоскость, примененную для получения этого разреза.
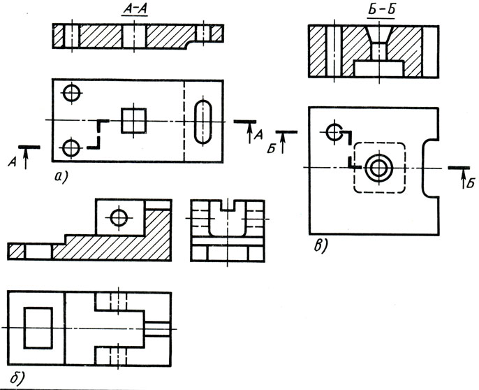
На рис. 261 выполнены два вертикальных разреза: фронтальный (А—А) (рис. 261, а) и профильный Б) (рис. 261, в), секущие плоскости которых не совпадают с плоскостями симметрии детали в целом. Поэтому на чертеже указано положение секущих плоскостей и соответствующие им разрезы сопровождаются надписями.
Штрихи разомкнутой линии не должны пересекать контур изображения. На штрихах линии сечения перпендикулярно к ним ставят стрелки, указывающие направление взгляда. Стрелки наносят на расстоянии 2— 3 мм от внешнего конца штриха линии сечения.
Размеры стрелки показаны на рис. 262.
Около каждой стрелки наносится одна и та же прописная буква русского алфавита.
Надпись над разрезом подчеркивается сплошной тонкой линией и содержит две буквы, которыми обозначена секущая плоскость, написанные через тире (рис. 261, б).
На одном изображении допускается соединять часть вида и часть разреза. Линии невидимого контура на соединяемых частях вида и разреза обычно не показываются.
Если вид и разрез представляют собой симметричные фигуры (рис. 263), то можно соединить половину вида и половину разреза, разделяя их штрихпунктирной тонкой линией, являющейся осью симметрии.
Часть разреза располагают справа (рис. 263, а) или снизу от оси симметрии (рис. 263,б), разделяющейчасть вида с частью разреза.
При соединении симметричных частей вида и разреза, если с осью симметрии совпадает проекция какой-либо линии, например ребра (рис. 264), то вид от разреза отделяется сплошной волнистой линией, проводимой левее (рис. 264, а) или правее (рис. 264, б) оси симметрии.
При соединении на одном изображении вида и разреза, представляющих несимметричные фигуры, часть вида от части разреза отделяется сплошной волнистой линией (рис.
264, в).
Вертикальные разрезы, приведенные на рис. 258 и 259, получены в результате применения секущих плоскостей, параллельных либо фронтальной, либо профильной плоскостям проекций. На практике встречаются случаи, когда вертикальный разрез выполняется секущей плоскостью, не параллельной ни фронтальной. ни профильной плоскостям проекций (рис. 265), в этом случае разрез строится и располагается в соответствии с направлением взгляда, указанным стрелками на линии сечения.
Допускается поворот разреза до положения, соответствующего положению, принятому для предмета на главном изображении (рис. 265). В этом случае к надписи над разрезом должно быть добавлено слово
«повернуто».
НАКЛОННЫЙ РАЗРЕЗ
Если деталь имеет наклонно расположенные полые элементы, применяют наклонный разрез.
Наклонным разрезом называют разрез плоскостью, которая составляет с горизонтальной плоскостью проекций угол, отличный от прямого.
Наклонный разрез проецируют на дополнительную плоскость, параллельную секущей, совмещая ее с плоскостью чертежа.
Пример наклонного разреза приведен на рис. 266. Положение секущей плоскости отмечается линией сечения со стрелками, указывающими направление взгляда.
Наклонные разрезы должны располагаться в соответствии с направлением взгляда, указанного стрелками на линии сечения (рис. 266, б). Допускается располагать наклонные разрезы на любом месте поля чертежа (рис. 267) вне проекционной связи с видом, но с учетом направления взгляда. При необходимости наклонные разрезы могут располагаться с поворотом (разрез А—А на рис. 267).
МЕСТНЫЕ РАЗРЕЗЫ
Если требуется выяснить конструкцию изделия лишь в отдельном ограниченном месте, можно применить разрез, называемый местным. Линия, ограничивающая местный разрез, выполняется сплошной волнистой линией.
На рис. 268, а выполнены примеры местных разрезов, благодаря которым выявляется форма некоторых элементов детали.
Если местный разрез выполняется на части предмета, представляющей собой тело вращения (рис. 268, б) и, следовательно, изображенной с осевой линией, то местный разрез с видом могут разделяться этой осевой линией.
СЛОЖНЫЕ РАЗРЕЗЫ — СТУПЕНЧАТЫЕ И ЛОМАНЫЕ
Кроме простых разрезов, когда применяется одна плоскость, употребляются разрезы сложные при двух и более секущих плоскостях.
Сложные разрезы разделяются на ступенчатые и ломаные.
Сложный разрез, образованный двумя и более секущими параллельными плоскостями, называется ступенчатым. Ступенчатые разрезы могут быть горизонтальными, фронтальными и профильными.
Пример ступенчатого горизонтального разреза показан на рис. 269, а. Две секущие плоскости расположены параллельно горизонтальной плоскости проекции. Чертеж детали с таким разрезом представлен на рис. 269, б. Направление секущих плоскостей указано разомкнутыми линиями (линиями сечения). У начального и конечного штрихов линии сечения имеются стрелки с одной и той же буквой.
Линия сечения имеет также перегибы, показывающие места перехода от одной секущей плоскости к другой. Перегибы линии сечения выполняются той же толщины, как и штрихи разомкнутой линии. Стрелки указывают направление взгляда.
При выполнении ступенчатого разреза секущие плоскости совмещают в одну плоскость, и ступенчатый разрез оформляется как простой. Линии, разделяющие два сечения друг от друга в местах перегибов на ступенчатом разрезе, не указываются.
На рис. 270, а показан пример фронтального ступенчатого разреза, выполненного тремя секущими плоскостями, положение которых отмечено на виде сверху ступенчатой линией сечения (рис. 270, в).
Допускается сложные разрезы располагать вне проекционной связи с другими изображениями (рис. 270, б).
Профильные ступенчатые разрезы выполняются аналогично.
Ломаные разрезы — это разрезы, полученные при сечении предмета не параллельными, а пересекающимися плоскостями (рис. 271). В этом случае одна секущая плоскость условно повертывается около линии пересечения секущих плоскостей до совмещения с другой секущей плоскостью, параллельной какой-либо из основных плоскостей проекций, т.
е. ломаный разрез размещается на месте соответствующего вида.
На рис. 271 рычаг рассечен двумя пересекающимися секущими плоскостями, одна из которых является фронтальной плоскостью. Секущая плоскость, расположенная левее, мысленно поворачивается вокруг линии пересечения секущих плоскостей до совмещения с фронтальной секущей плоскостью. Вместе с секущей плоскостью поворачивается расположенная в ней фигура сечения детали. На виде спереди дано изображение рассеченной детали после выполнения указанного поворота. На рис. 271 для наглядности нанесены линии связи и положение части детали после поворота. Эти построения на чертеже не показывают.
Ломаный разрез может быть получен при сечении тремя пересекающимися плоскостями (рис. 272).
При выполнении ломаного разреза, когда одна секущая плоскость поворачивается до совмещения с другой, элементы предмета, расположенные за ней, не поворачиваются: они изображаются так, как они проецируются на соответствующую плоскость проекций при условии, что разрез не выполняется.
Выступ Б (рис. 273, а), находящийся за поворачиваемой секущей плоскостью, в повороте не участвует: его изображения выполняются на чертеже в проекционной связи.
Исключением из этого правила могут быть случаи, когда элементы предмета расположены симметрично относительно поворачиваемой секущей плоскости. В этих случаях выполняется поворот таких элементов предмета вместе с секущей плоскостью. Рычаг (рис. 273, б) имеет два ушка, расположенные симметрично относительно секущей плоскости. Ушко поворачивается вместе с секущей плоскостью при ее совмещении с профильной плоскостью.
Направление поворота секущей плоскости может не совпадать с направлением взгляда (рис. 273, в).
Как легко вырезать, делить и обрезать иллюстрацию
НАЧИНАЮЩИЙ · 10 МИН
Используйте специальные инструменты и простые команды, чтобы изменить свою иллюстрацию в Adobe Illustrator.
Что вам понадобится
Получить файлы
Примеры файлов для практики (ZIP, 3,4 МБ)
Загрузите образец файла и следуйте инструкциям, чтобы изучить несколько способов редактирования вашего изображения.
Откройте Start.ai.
Вырезанные траектории и формы
Рисунок можно вырезать несколькими способами. Посмотрите видео «Вырежьте и сотрите иллюстрацию», чтобы узнать об основах. Мы пойдем немного дальше в этом уроке.
Выберите «Вид» > «Увеличить», чтобы при необходимости увеличить иллюстрацию.
Давайте добавим несколько линий к полукруглой форме и превратим ее в оборчатый плавник. Нажмите и удерживайте инструмент «Ластик» и выберите инструмент «Нож».
Нажмите клавишу Alt (Windows) или Option (macOS) и перетащите серию прямых линий. Начните за пределами края полукруга и отпустите кнопку мыши в любом месте внутри полукруга, чтобы сделать прямой разрез.
Совет: Нажмите Alt+Shift (Windows) или Option+Shift (macOS), чтобы ограничить угол выреза 90° или 45°.
Нажмите A или выберите инструмент «Частичное выделение» на панели «Инструменты». Перетащите один из живых углов, чтобы изогнуть все живые края, как показано.
Мы добавим маленький рот, снова нарисовав с помощью инструмента Нож. Нарисуйте непрерывную линию произвольной формы вдоль основания большего треугольника, как показано на рисунке. Выберите инструмент «Частичное выделение» на панели «Инструменты». Щелкните вдали, чтобы отменить выбор, а затем щелкните только прямолинейный сегмент, чтобы выбрать маленький треугольник. Нажмите Delete, чтобы создать открытый рот.
Вырезать, изменять форму и комбинировать с другими произведениями искусства
Теперь вы добавите несколько стилизованных пузырей. Нажмите L, чтобы выбрать инструмент «Эллипс». Нажмите Alt+Shift (Option+Shift) и растяните круг среднего размера. Установите ширину обводки на 5 пикселей на панели свойств.
Выберите «Правка» > «Копировать», а затем выберите «Правка» > «Вставить на место». Это создает дубликат в том же месте. Нажмите Alt+Shift (Option+Shift) и перетащите точку, чтобы сделать идеальный круг меньшего размера.
Нажмите и удерживайте инструмент «Нож» на панели «Инструменты» и выберите инструмент «Ножницы».
Щелкните в двух местах на внутреннем круге, как показано на рисунке. Выберите вырезанный сегмент с помощью инструмента «Выделение» и нажмите «Удалить», чтобы удалить его. Повторите этот шаг, чтобы вырезать и удалить небольшой сегмент из внешнего круга.
Далее вы закруглите острые края кругов. С помощью инструмента «Выделение» нарисуйте прямоугольник выделения вокруг обоих кругов. На панели «Свойства» нажмите «Обводка», чтобы открыть панель «Обводка». Выберите параметр Круглая крышка.
Вы можете дублировать, масштабировать и вращать свой пузырь, чтобы создать поток пузырей. Нажмите Alt (Option) и перетащите копию.
Совет: Сначала отпустите кнопку мыши, а затем клавишу Alt (Option) после перетаскивания.
Нажмите «Параметры» (…) в разделе «Преобразование» на панели «Свойства» и выберите «Масштабировать обводки и эффекты». Нажмите Shift и перетащите угол ограничивающей рамки, чтобы пропорционально изменить ее размер.
Слегка отодвиньте курсор от угла ограничивающей рамки, чтобы получить доступ к изогнутой стрелке, и перетащите ее, чтобы свободно вращать пузырь.
Повторите, чтобы создать больше пузырей.
Совет: Кроме того, вы можете использовать панель «Свойства», чтобы изменить размер и повернуть иллюстрацию. Введите нужные значения в разделе «Преобразование».
Вы будете использовать два перекрывающихся круга, чтобы создать большой центральный плавник. С помощью инструмента «Выделение» нарисуйте прямоугольник выделения вокруг обоих кругов. На панели «Свойства» в разделе «Обработка контуров» щелкните значок «Минус спереди» (второй значок слева). Эта операция вычитает круг впереди, давая вам именно ту форму, которая вам нужна. Перетащите плавник и поместите его на рыбу, как показано на рисунке.
Совет: Используйте клавиши со стрелками, чтобы переместить фигуру в нужное положение.
Теперь потренируйтесь в этой технике, сделав небольшую выемку в хвостовом плавнике.
Подсказка: Используйте инструмент «Эллипс», чтобы нарисовать круг, перекрывающий рыбий хвост.
Выделите обе фигуры и щелкните значок Minus Front Pathfinder на панели «Свойства».
Комбинируйте техники для создания желаемой формы
Далее вы создадите рыбий глаз. Нажмите V и перетащите прямоугольник выделения вокруг перекрывающихся кругов с надписью ГЛАЗ. В разделе Pathfinder нажмите кнопку Intersect, чтобы создать форму глаза.
Наведите кружок на форму глаза. Выберите обе фигуры, а затем выберите инструмент «Создание фигур» на панели «Инструменты». Нажмите Alt (Option) и щелкните по кругу, чтобы удалить его из объединенной фигуры. Выберите глаз и переместите его на место.
Используйте формочки для печенья
Выберите черный круг с надписью BUBBLE на монтажной области. Возьмите его центральную точку, нажмите Alt (Option) и перетащите вверх, чтобы продублировать его. Используйте пурпурную интеллектуальную направляющую, чтобы сложить их так, чтобы они соприкасались. Нажмите Control+D (Windows) или Command+D (macOS) несколько раз, чтобы повторить последнее действие и создать высокий столбец из кругов.
Выберите инструмент «Отрезок линии» на панели «Инструменты» и щелкните один раз, чтобы поместить точку непосредственно над столбцом круга. Нажмите Shift и перетащите прямую линию вниз по столбцу. Выровняйте его по центру кругов, используя пурпурную направляющую в качестве ориентира.
Выберите «Объект» > «Контур» > «Разделить объекты ниже». Эта операция разрезает круги ниже линии на отдельные полукруги. Нажмите V, чтобы переключиться на инструмент «Выделение», и щелкните за пределами кругов, чтобы отменить выбор. Затем щелкните каждый другой полукруг и нажмите Удалить. Перетащите прямоугольник выделения вокруг водорослей, а затем продублируйте или измените его положение в своем дизайне.
Теперь, когда вы поэкспериментировали с вырезанием, обрезкой и делением фигур, попробуйте это в своем собственном проекте. В кратчайшие сроки вы будете инстинктивно тянуться к различным инструментам и методам, чтобы использовать их в своих собственных стильных иллюстрациях. Просмотрите загруженный вами файл Finish.
ai, чтобы вдохновиться.
Два способа вырезать эскиз на Cricut
Этот пост и фотографии в нем могут содержать Amazon или другие партнерские ссылки. Если вы купите что-то по ссылке, я могу получить небольшую комиссию без дополнительной оплаты для вас.
Это отличные советы и рекомендации по использованию Cricut Design Space или Illustrator для преобразования ваших каракулей, надписей и других нарисованных от руки изображений в SVG, которые вы можете вырезать в Cricut Explore!
Одна из замечательных особенностей Cricut Explore заключается в том, что вы можете загружать свои собственные изображения, даже изображения, которые вы нарисовали сами! У меня есть два метода, которые я использую для этого: один с помощью Illustrator, а другой с помощью Cricut Design Space.
Перестаньте рвать на себе волосы и начните уверенно творить с Cricut! Наконец-то поймите, как использовать Cricut с моими электронными книгами Learn Your Cricut!
Содержание
Импорт эскиза
Независимо от того, используете ли вы Cricut Design Space или Illustrator, вам сначала необходимо импортировать изображение на компьютер в виде файла JPG или PNG.
Как вы это сделаете, будет зависеть от того, как вы его создали.
Если вы рисуете от руки на листе бумаги, вы можете отсканировать этот лист, и он создаст файл на вашем компьютере. Вы также можете сфотографировать его на свой телефон и использовать изображение. Я сделал оба, и оба работают хорошо. Вы можете видеть, как я использовал фотографию следов моих мальчиков на телефоне, чтобы сделать вырезанный файл.
Если ваш рисунок был нарисован от руки на планшете или другом устройстве, вы сможете сохранить файл в формате JPG или PNG и импортировать его на свой компьютер.
Сегодня я воспользуюсь очень милой надписью «Будь храброй», написанной от руки моей подругой Эрин из Printable Crush. Если вам нравится мой блог, вы обязательно полюбите ее!
Серьезно, ребята, это она нарисовала. На айпаде. Заставляет меня действительно хотеть узнать, как передать письмо! Это JPG-файл, который она мне прислала, и я покажу вам, как превратить его в файл, который можно вырезать с помощью Cricut Design Space и Illustrator.
И в качестве бонуса, вот файл для загрузки, готовый к использованию на Cricut или Silhouette!
Загрузите файл Be Brave
Введите свое имя и адрес электронной почты в поле ниже, чтобы получить доступ к этой халяве, а также к другим забавным бесплатным файлам в нашем информационном бюллетене по электронной почте! Если вы уже получили халяву с моего сайта, просто введите свои данные еще раз — вы не будете добавлены ни в какие дополнительные списки.
Эта бесплатная программа предназначена только для личного использования. Вы можете узнать больше о нашей коммерческой лицензии.
Сначала давайте посмотрим на процесс в Cricut Design Space. Откройте Cricut Design Space и загрузите PNG, используя вкладку загрузки слева.
После загрузки изображения вам будет предложено выбрать тип изображения. Это простой файл с большим контрастом между черным и белым.
Затем нажмите на области изображения, которые не являются его частью. Это скажет Cricut не резать эти части.
Нажмите «Продолжить» и выберите сохранение изображения в виде вырезанного изображения. Затем нажмите «Сохранить».
Легко. Теперь ваше изображение JPG превратилось в вырезанный файл.
Однако, когда я сравниваю файл, который прислала мне Эрин, и файл, созданный Cricut Design Space, вы заметите, что он не идеален. Мы потеряли некоторую четкость изображения, особенно в завитушках. Это очень хорошо, но не здорово.
Преобразование эскиза с помощью Illustrator
Потеря четкости в файлах — основная причина, по которой я предпочитаю использовать Illustrator для преобразования нарисованных от руки изображений в файл SVG. Я чувствую, что Illustrator более эффективен, когда дело доходит до создания таких файлов, и вы можете работать с определенными областями файла, если они плохо отображаются.
И не забывайте использовать эти сочетания клавиш при работе в Illustrator! Вы действительно ускорите свой процесс, если выучите их. Ярлыки находятся в чирок в этом посте.
Начните с помещения файла JPG в новый файл Illustrator.
Файл > Поместить (shift+cmd+P)
В верхней части экрана нажмите кнопку Трассировка изображения . Это создаст общий контур вашего изображения — вы заметите, что все становится немного более гладким. Откройте панель «Трассировка изображения»: Окно > Трассировка изображения
На панели трассировки изображения можно выполнить две важные операции. Во-первых, настроить ползунки. Я часто обнаруживаю, что для таких файлов удаление «порога» и отображение «путей» помогает мне максимально приблизиться к исходному изображению. На файлах с меньшей контрастностью мне часто приходится увеличивать порог. Просто поэкспериментируйте и посмотрите, какой результат вам больше нравится (обложка будет меняться по мере того, как вы настраиваете ползунки).
ВАЖНО: Вы также можете поставить галочку внизу с надписью «Игнорировать белый цвет». Это самый важный шаг! Это оставит вас с обрисованным в общих чертах изображением.
Если вы не нажмете на это, он обрисует всю монтажную область, и вы не сможете вырезать свой файл.
Если вы довольны тем, как выглядит ваше изображение, нажмите Expand на верхней панели инструментов (там, где ранее вы нажали Image Trace).
Выберите свое изображение и убедитесь, что оно теперь обведено контуром. Маленькие прямоугольники вокруг изображения представляют собой «узлы» — они сообщают Cricut, куда нужно повернуть лезвие, чтобы создать вырезанный файл. Их слишком много = плохо (см. хороший пример здесь ).
То, что у нас получилось в этом файле, не так уж и плохо, но вы заметите несколько дополнительных узлов, например, в начале завитушки в слове «храбрый». Cricut может это сократить, но мы можем упростить задачу, уменьшив количество узлов в этом файле.
Для этого перейдите в Объект > Контур > Упростить . Щелкните поле Предварительный просмотр, чтобы увидеть применяемые изменения. Здесь вы можете изменить математическую простоту вашего файла.